
今天要跟大家介紹的是一種智能型現場安裝式溫度變送器單元(如下圖),也可以叫作溫度變送器或溫度模塊,一般裝在裝在接線盒里,與工業熱電偶、熱電阻配套使用,采用二線制傳輸方式(兩根導線作為電源輸入和信號輸出的公用傳輸線)。

該溫度變送器將熱電偶、熱電阻信號轉換成與溫度信號成線性的4~20mA的信號輸出,且采用24位數字化轉換結合數字線性化技術,精度更高。可直接安裝在傳感器的接線盒內與之形成一體化結構;支持8種熱電偶(TC)、3種電阻(RTD)信號變送,通用性強;且工作電壓超低,支持更高負載電阻。廣泛應用于石油、化工、電力、 紡織、食品、國防以及科研等工業部門。

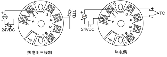
溫度變送器的輸入端接三線制熱電阻時,單線接3號端子,雙線接4和5端子;接熱電偶時,3端子接﹢,4端子接-。輸出端接到上位機的有源端口時,只需1端子接+,2端子接-。接無源端口時,需串個24V電源給變送器供電,1端子接24V+,2端子接上位機的+,24V-與上位機的-短接即可。如下圖所示:

昌辰官方微信
版權由蘇州昌辰儀表有限公司所有
蘇ICP備16036632號-1
隔離器、液位變送器、電流變送器、壓力變送器、信號變送器、功率變送器、溫濕度變送器、溫度巡檢儀、流量積算儀、無紙記錄儀、多功能電力儀表、多功能電表、數據采集模塊